- 产品介绍
-
产品概述
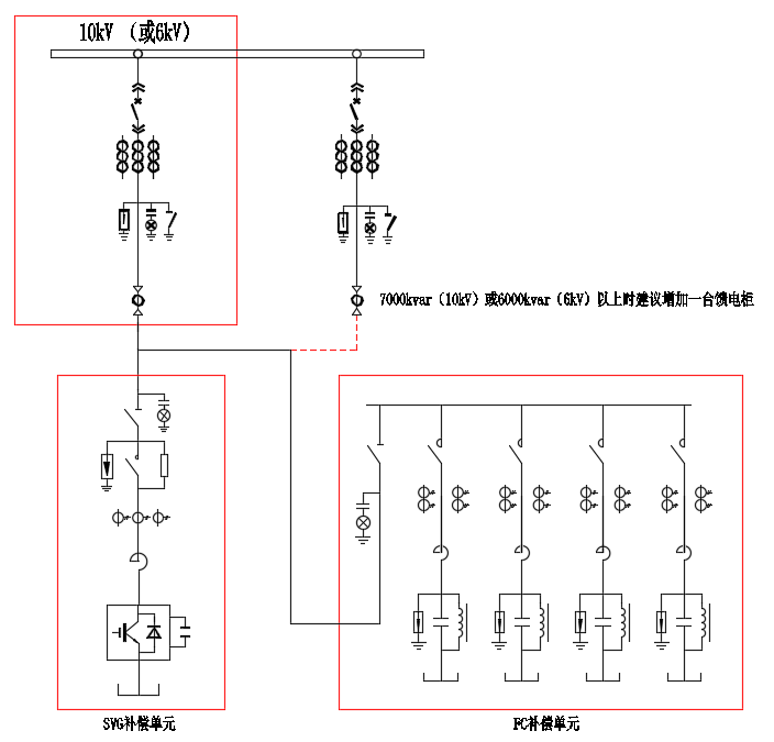
HWTSVG-G动静态协同型无功补偿装置是将高压静止无功发生器SVG和无源FC补偿支路相结合,从而解决FC不能连续无功补偿以及大容量SVG运行高成本的问题。该装置采用统一协调控制,其中FC实现容性无功的大容量分级调节,SVG用以实现感性无功和容性无功快速连续调节,控制系统能有效分配补偿容量,从而实现容量段内的动态补偿。
型号说明
技术参数
额定电压:6kV、10kV、35kV
额定频率:50 Hz
电压采样:三相电压,交流100V
电流采样:三相电流,交流 0~5 A
FC容量: 1000~8000kvar
SVG容量:1000/2000kvar或根据项目适配
响应时间:响应时间≤5ms
调节方式:容性、感性自动连续平滑调节
FC支路数:≤8路
采样控制:单母线单采单控
保护功能:过压、欠压、过流、速断、零序电压及SVG功率单元过压、驱动故障、过流、高温、系统电源异常等保护;
使用环境:环境温度-25℃ ~ +40℃、海拔 ≤2000米、空气湿度 95%(25℃时)、周围空气没有明显的粉尘、腐蚀性或可燃性气体、水蒸气或盐雾的污染;
适用场景:适用于电力、冶炼、化工、煤矿、轧机、电弧炉、高压电机泵站、地铁、电气化铁路等谐波含量较大、负荷波动快速以及低负荷时线路充电功率的补偿。
功能特点
动态调节:装置电容器固定或分组接入,通过SVG实现无功补偿容量段内连续动态调节,响应速度快,补偿效果好;
滤波功能:针对背景谐波情况,可设置滤波支路同时向系统提供容性无功,有效滤除系统谐波,保证系统安全可靠运行;
运行成本:具有前期投入小、运行损耗及运维成本低的特点;
安全可靠:解决FC支路频繁投切导致的操作过电压和投切涌流问题,采用支路保护,避免保护死角;
适用性强:可用在新建变电站项目,也可利用变电站原有固定补偿电容器,加装SVG后,即可实现自动补偿功能。
一次系统图
产品外形图


产品选型
产品型号
额定电压(kv)
额定容量(kvar)
电容分组 (kvar)
柜式外形尺寸
(宽mm*深mm*高mm)
HWTSVG-G-□/□-10
10
2000
FC(1000)+SVG(1000)
FC(1250mm*1600mm*2500mm)+SVG(3500mm*1600mm*2500mm)
3000
FC(1000+1000)+SVG(1000)
FC(2450mm*1600mm*2500mm)+SVG(3500mm*1600mm*2500mm)
4000
FC(2000)+SVG(2000)
FC(2250mm*1600mm*2500mm)+SVG(3500mm*1600mm*2500mm)
5000
FC(1000+2000)+SVG(2000)
FC(2450mm*1600mm*2500mm)+SVG(3500mm*1600mm*2500mm)
6000
FC(2000+2000)+SVG(2000)
FC(3450mm*1600mm*2500mm)+SVG(3500mm*1600mm*2500mm)
7000
FC(1000+2000+2000)+SVG(2000)
FC(3650mm*1600mm*2500mm)+SVG(3500mm*1600mm*2500mm)
8000
FC(2000+2000+2000)+SVG(2000)
FC(4650mm*1600mm*2500mm)+SVG(3500mm*1600mm*2500mm)
9000
FC(1000+2000+2000+2000)+SVG(2000)
FC(4850mm*1600mm*2500mm)+SVG(3500mm*1600mm*2500mm)
10000
FC(2000+2000+2000+2000)+SVG(2000)
FC(5850mm*1600mm*2500mm)+SVG(3500mm*1600mm*2500mm)
说明:1、设备中的无源FC补偿支路柜体尺寸可根据用户现场实际情况调整;
2、客户如有特殊需求,如电压等级不同,请于我司联系,我司竭诚为您服务。




