HWYSVG电压调节型动态无功补偿装置
- 产品介绍
-
产品概述
HWDCR型动态脉冲补偿成套装置主电路采用晶闸管与二极管 反并联方式,通过峰值电压过零检测技术,实现电容器快速无放电投切,补偿效果明显,杜绝间歇式快速变化负荷导致的欠补偿、过补偿以及电容器投切时的冲击、扰动现象。该设备动态响应时间为≤20ms,能实时跟踪负载变化,即时补偿无功功率。
型号说明
技术参数
功能特点
无需放电:峰值电压过零检测技术,电容器投切过程无需放电,投切速度快;
过零投切:投切过程无冲击、无涌流,最大限度延长电容器使用寿命;
相间补偿:具有相间补偿功能,在平衡无功的同时转换有功,降低负载不平衡电流突变对系统的冲击;
器件统一:控制系统、瞬补开关、电容电抗器组件选用自主研发生产的核心器件,匹配度高性能稳定;
安全可靠:脉冲补偿装置采用单芯组防爆电容器与特殊设计的电抗器匹配运行,解决谐波干扰问题及谐振风险;
可靠触发:采用光电触发技术,实现一次系统和二次系统隔离,保证高可靠性触发。
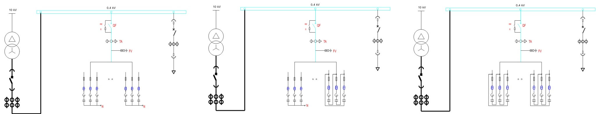
一次系统图
外形示意图
产品选型
- 上一条:无

- 下一条:HWTSVG混合型补偿成套装置
其他产品



